التاسع إسبوع كهربائي ... (4) توصيل المقاومات على التوالي والتوازي + تطبيق قانون أوم
السلام عليكم ورحمة الله
بداية أحب أن أحييكم على متابعتكم لنا في هذا القسم الرائع الذي يزخر عبر جنباته من العلم الكثير
وأتمنى لكم أن تفتحوا عقولكم للعلم ، فهو ركيزة أساسية تعتمد عليها شخصياتكم في المستقبل
اليوم إن شاء الله سوف نقوم بتطبيق قانون أوم V=IR في مسائل تساعدكم على المرونة في أدائكم وقت دراستكم ..
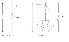
ولكن قبل هذا علينا أن ندرس شيئا مهما في المقاومة وهو إمكانية مكافئة المقاومات بمقاومة واحدة تسمى المقاومة المكافئة
https://encrypted-tbn0.gstatic.com/i...n28wPIUvICNj7g
الدائرة الأولى هي نفس الدائرة الثانية
ولكي نعرف كيف نكافئ المقاومات فعلينا أن نتعلم القادم
*** منقول ***
لمتابعة أكثر خارج موقع مسندم.نت...
نرجو زيارة هذا الرابط (( بالضغط هنـــا )) ..